1. Наша компанія працює більше 10 років.
2. Ми даємо правильні консультації.
3. Індивідуальний підхід. Кожному покупцеві ми приділяємо необхідну кількість уваги, від стадії вибору товару до його використання.
4. Ми продаємо тільки перевірені товари. Кожен товар проходить перевірку перед продажем і відправкою.
5. 80% товарів в наявності на наших складах.
6. Вигідні ціни. Знайшли товар дешевше - зробимо знижку.
7. Великий вибір способів оплати.
8. Доставка товару в будь-яку частину України.
9. Гарантія на товари.
10. З нами Ви економите час і гроші.
БЕСПЛАТНАЯ ДОСТАВКА НА ОБЪЕКТ!!!
Купить или заказать твердотопливный парогенератор можно у представителя завода "Идмар Украина" в Днепропетровске связавшись по телефону 0953677383, 0675855528.
Промышленные парогенераторы (паровые котлы) Идмар SB 700 кВт предназначены для производства перегретого (насыщенного) пара 1000 кг/час, который является энергоносителем и применяются во многих отраслях промышленности.
Парогенераторы Идмар SB позволяют использовать любой вид твердого топлива: уголь, угольные отходы, угольные концентраты, брикеты, пеллеты, торф, дрова, древесные отходы, обычный мусор.
КПД котлов близко к 100 %, достигают максимальной мощности за несколько минут. Эксплуатация этих паровых установок не только экономически целесообразна, но и не имеет альтернатив в соотношении цена-качество.
В комплект поставки парогенератора входит:

| № | Техническая характеристика (параметры) | Единица измерения | Величина | Примечание |
| 1 | Мощность | кВт | 700 | |
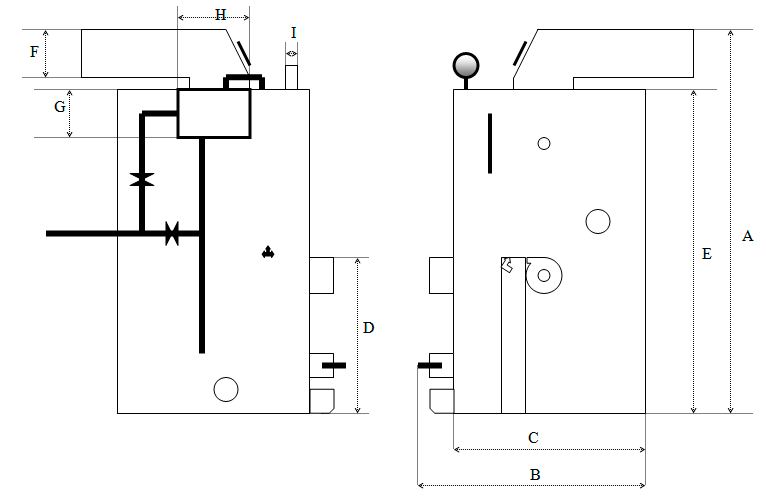
| 2 | A | мм | 3400 | |
| 3 | C | мм | 1800 | |
| 4 | D | мм | 1250 | |
| 5 | E | мм | 2850 | |
| 6 | F | мм | 500х500 | |
| 7 | H | мм | 750 | |
| 8 | G | мм | 1000 | |
| 9 | I.Dn | мм | 219 | паропровод |
| 10 | P.Dy | мм | 100 | патрубок на подрывной клапан |
| 11 | Диаметр камеры | мм | 1600 | |
| 12 | Загрузка топлива | кг | 1700 | |
| 13 | Расход топлива в 1 час | кг | 150 | |
| 14 | Вес | кг | 4100 | |
| 15 | Вентилятор | Вт | 600 | 2 шт. |
По вопросам сотрудничества звоните по телефонам: 0953677383, 0675855528 Максим Константинович.
Электронная почта idmar_dp@mail.ru
Регионы доставки :
-Винницкая область (Бершадь, Жмеринка, Илинцы, Козятин, Оратов, Пищанка, Погребище, Тульчин, Хмельник, Ямпиль)
-Волынская область (Владимир-Волынский, Иваничи, Киверцы, Луцк, Маневичи, Рожище, Турийск)
-Днепропетровская область (Гвардейское, Днепродзержинск, Днепропетровск, Желтые Воды, Кривой Рог, Марганец, Никополь, Новомосковск, Павлоград, Первомайск, Славгород)
-Донецкая область (Володарское, Доброполье, Константиновка, Марьинка, Первомайское, Славянск, Тельманово, Шахтерск, Ясиноватая, Макеевка)
-Житомирская область (Бердичев, Городница, Коростень, Овруч, Попельня, Радомышль, Ружин, Чорняхов)
-Закарпатская область (Берегово, Великий Березный, Виноградов, Иршава, Межгорье, Мукачево, Рахов, Свалява, Перечин, Тячев, Ужгород, Хуст)
-Запорожская область (Акимовка, Бердянск, Запорожье, Каменка-Днепровская, Куйбышево, Мелитополь, Приазовское, Черниговка)
-Ивано-Франковская область (Богородчаны, Бурштын, Верховина, Галич, Делятин, Долина, Ивано-Франковск, Коломыя, Надворная, Яремча)
-Киевская область (Белая Церковь, Борисполь, Бровары, Вышгород, Киев, Переяслав-Хмельницкий, Сквира, Фастов, Яготин)
-Кировоградская область (Александрия, Александровка, Бобринец, Гайворон, Долинская, Знаменка, Ольшанка, Петрово, Светловодск, Устиновка)
-Луганская область (Красный Луч, Краснодон, Лисичанск, Рубежное, Северодонецк, Стаханов, Троицкое)
-Львовская область (Броды, Бусск, Дрогобыч, Жидачов, Каменка-Бугская, Перемышляны, Сколе, Сокаль, Стрый, Турка)
-Николаевская область (Березанка, Вознесенск, Доманевка, Николаев, Новый Буг, Первомайск, Снигиревка)
-Одесская область (Ананьев, Арцыз, Березовка, Измаил, Ильичевск, Котовск, Одесса, Рени, Теплодар)
-Полтавская область (Гадяч, Кобеляки, Кременчуг, Лубны, Миргород, Полтава, Семеновка, Чутово)
-Ровненская область (Дубно, Дубровица, Заречное, Здолбунов, Костополь, Ровно, Радивилов, Рокитное)
-Сумская область (Белополье, Глухов, Конотоп, Краснополье, Лебедин, Липовая Долина, Ромны, Ямполь)
-Тернопольская область (Бережаны , Борщев, Бучач, Гусятин, Залещики, Кременц, Почаев, Скала Подольская, Чортков, Тернополь, Шумск)
-Харьковская область (Богодухов, Волчанск, Изюм, Касноград, Купянск, Люботин, Первомайский)
-Херсонская область (Белозерка, Высокопольск, Гениченск, Горностаевка, Ивановка, Каланчак, Скадовск, Херсон)
-Хмельницкая область (Волочинск, Деражня, Каменец-Подольский, Славута, Полонное, Шепетовка, Ярмолинцы)
-Черкасская область (Ватутино, Жашков, Звенигородка, Золотоноша, Канев, Монастырище, Смела, Тальное, Умань, Чигирин)
-Черниговская область (Бахмач, Бобровица, Ичня, Козелец, Короп, Нежин, Репка, Чернигов, Щорс)
Черновецкая область (Вижница, Герца, Кельменцы, Кицмань, Новоднестровск, Новоселица, Старожинец, Черновцы, Хотин)